网站首页
关于我们
公司简介
资质证书
产品中心
压力变送器系列
差压变送器系列
液位变送器系列
电量变送器系列
智能单回路数显控制仪系列
智能双回路数显控制仪系列
智能多回路巡检显示控制仪系列
智能流量积算控制仪系列
智能DFD/DFQ型手操器系列
智能PID控制调节仪系列
智能型温度变送器/隔离器/配电器
八回路闪光报警控制仪系列
其他仪器仪表系列
雷达物位计
温度系列
新闻资讯
公司新闻
行业动态
资料下载
联系我们
首页
关于我们
公司简介
资质证书
产品中心
压力变送器系列
差压变送器系列
液位变送器系列
电量变送器系列
智能单回路数显控制仪系列
智能双回路数显控制仪系列
智能多回路巡检显示控制仪系列
智能流量积算控制仪系列
智能DFD/DFQ型手操器系列
智能PID控制调节仪系列
智能型温度变送器/隔离器/配电器
八回路闪光报警控制仪系列
其他仪器仪表系列
雷达物位计
温度系列
新闻资讯
公司新闻
行业动态
资料下载
联系我们
产品中心
PRODUCT
产品中心
首页
-
产品中心
-
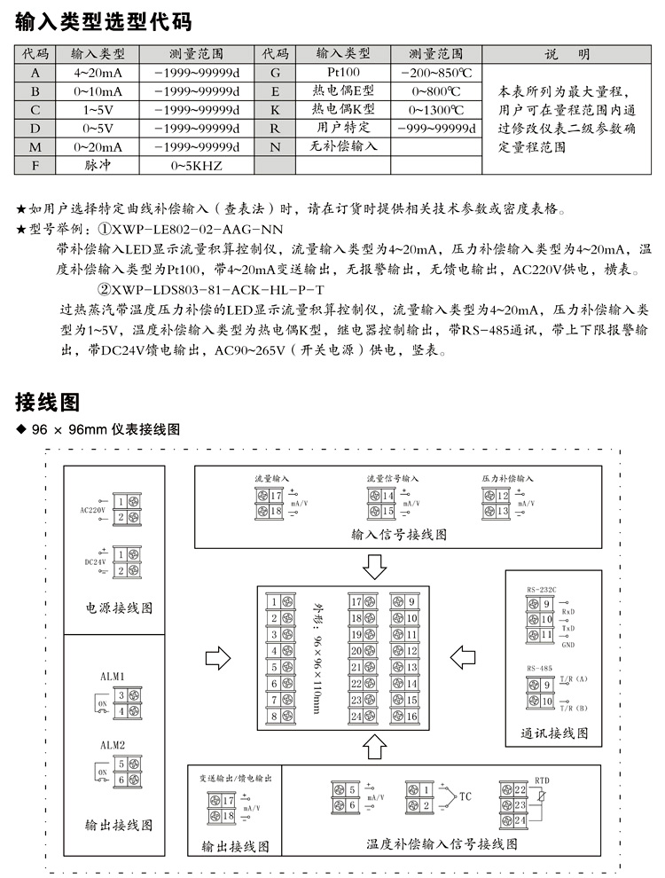
智能流量积算控制仪系列
-
XWP-LD80系列智能流量积算控制仪
XWP-LD80系列智能流量积算控制仪
如果您有任何问题可以联系我们!
联系我们
电话:400-021-8789
扫一扫,加我为朋友
详细信息
详细信息
XWP-LES80智能流量积算仪
没有了!
返回
相关产品
XWP-LE80智能流量积算仪
XWP-LES80智能流量积算仪
XWP-LD80系列智能流量积算控制仪
联系我们
上海市金山区朱泾镇三浜村6037号
400-021-8789
首页
/
关于我们
/
产品中心
/
新闻资讯
/
产品应用
/
资料下载
/
联系我们
© 上海新乐仪器仪表有限公司
浙ICP备11005521号
XML
网站地图
网站制作维护:
传信网络
浙公网安备 33038202003443号
微信
咨询
扫一扫,加我为朋友
服务
热线
400-021-8789
服务热线